![]() |
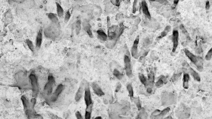
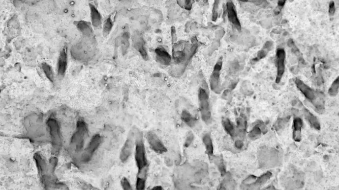
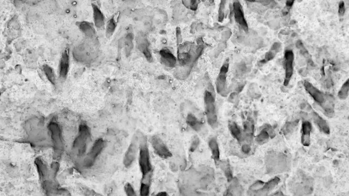
| Dấu chân khủng long in trên đá tại Australia cách đây 200 triệu năm. (Nguồn: Đại học Queensland) |
Câu chuyện về phiến đá phủ bụi này, lưu giữ dấu tích của quá khứ cách đây 200 triệu năm, là một minh chứng cho thấy những bí mật cổ xưa có thể ẩn mình ngay giữa đời thường.
| Tin liên quan |
Trong suốt hai thập niên, phiến đá này nằm im lìm tại trường học ở thị trấn Banana cho đến khi những dấu chân 3 ngón kỳ lạ thu hút sự chú ý của nhà cổ sinh vật học Anthony Romilio.
Ông Romilio không khỏi kinh ngạc khi xác nhận, phiến đá này chứa hàng chục dấu chân hóa thạch, có niên đại từ đầu kỷ Jura cách đây khoảng 200 triệu năm về trước.
Phiến đá này có một hành trình thú vị. Được các thợ mỏ than khai quật vào năm 2002 và tặng cho trường học ở thị trấn nhỏ Biloela, nơi trưng bày ở sảnh chờ.
Tuy nhiên, phải đến khi các nhà nghiên cứu bắt đầu tìm kiếm hóa thạch khủng long trong khu vực, giá trị thực sự mới được khám phá. Nhà nghiên cứu Romilio cho biết: "Một số giáo viên cho rằng, đây là bản sao chứ không phải đồ thật. Mọi người không hoàn toàn nhận ra những gì họ thực sự có".
Trên phiến đá chưa đến 1m2, ông Romilio tìm thấy 66 dấu chân riêng biệt, thuộc về loài khủng long Anomoepus scambus, một loài ăn thực vật nhỏ bé đi bằng hai chân.
Ông nhấn mạnh, dù dấu chân hóa thạch là loại hóa thạch khủng long phong phú nhất, chúng thường bị các nhà nghiên cứu bỏ qua vì "không có sức hấp dẫn như xương hóa thạch".
Trong quá trình tìm kiếm, nhà nghiên cứu Romilio còn phát hiện một tảng đá nặng hai tấn chứa dấu chân khủng long ngay tại lối vào bãi đậu xe của một mỏ than.
Ông Romilio nhấn mạnh, đây không chỉ là phát hiện thông thường, mà là "một trong những mật độ dấu chân khủng long nhiều nhất" từng được ghi nhận tại Australia
Điều đó mang đến cái nhìn độc đáo về sự sống động của loài vật này vào thời điểm mà đất nước xứ chuột túi chưa ghi nhận sự hiện diện của xương khủng long hóa thạch.
| Trung Quốc khai quật hóa thạch loài mèo nhỏ nhất thế giới đã tuyệt chủng Một nhóm nhà khảo cổ học khai quật được hóa thạch mèo nhỏ nhất từng được biết đến tại một địa điểm ở miền Đông ... |
| Phát lộ 200 dấu chân khủng long cổ đại trên đường mòn tại Anh Các nhà khảo cổ học Anh mới phát lộ khoảng 200 dấu chân khủng long tại một mỏ đá ở Oxfordshire, miền Trung nước Anh. ... |
| Hóa thạch thực vật 410 triệu năm tìm thấy tại Trung Quốc Các nhà khoa học Trung Quốc phát hiện một loài thực vật nhỏ bé có niên đại khoảng 410 triệu năm ở thành phố Đô ... |
| Peru tìm thấy hóa thạch tổ tiên 9 triệu tuổi của loài cá mập trắng lớn Ngày 20/1, các nhà cổ sinh vật học Peru công bố hóa thạch 9 triệu năm tuổi của một loài họ hàng với cá mập ... |
| Trung Quốc: Phát hiện hóa thạch kỷ Jura hé lộ nguồn gốc các loài chim trên thế giới Một nhóm nhà khoa học Trung Quốc mới khai quật được hóa thạch loài chim đuôi ngắn cổ xưa nhất, có niên đại khoảng 150 ... |
